{{ 'fb_in_app_browser_popup.desc' | translate }} {{ 'fb_in_app_browser_popup.copy_link' | translate }}
{{ 'in_app_browser_popup.desc' | translate }}
{{ childProduct.title_translations | translateModel }}
{{ getChildVariationShorthand(childProduct.child_variation) }}
{{ getSelectedItemDetail(selectedChildProduct, item).childProductName }} x {{ selectedChildProduct.quantity || 1 }}
{{ getSelectedItemDetail(selectedChildProduct, item).childVariationName }}
貨號:CER0012
商品存貨不足,未能加入購物車
您所填寫的商品數量超過庫存
{{'products.quick_cart.out_of_number_hint'| translate}}
{{'product.preorder_limit.hint'| translate}}
每筆訂單限購 -1 件
{{'products.quick_cart.quantity_of_stock_hint'| translate : {message: quantityOfStock} }}
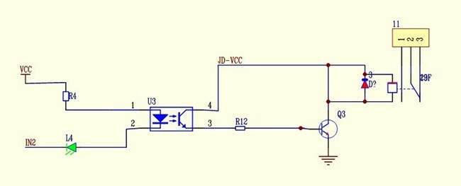
【產品介紹】
2路帶光耦繼電器模組,繼電器觸點容量250V10A,選用優質松樂繼電器,一個公共端、一個常開端、一個常閉端;光耦隔離,抗干擾性好!
Raspberry Pi, Arduino, 8051, AVR, PIC, DSP, ARM, MSP430, TTL logic都可以用喔。
【產品規格】
教學文件

VCC:系統電源正極
GND:系統電源負極
IN1--IN2:繼電器控制端口
低電平有效。繼電器信號輸入電壓範圍:0—5V;
VCC系統電源。JD-VCC繼電器電源。JD-VCC和VCC短接就可以了。